无线接入点XAP

信锐自主研发的新一代高性能无线接入点,可提供更快的无线上网和更大的无线覆盖范围。产品传输速率能够轻松满足各种无线业务的承载使用,如视频、语音等多媒体业务,并提供智能射频、服务质量保证、无缝漫游等。
无线接入点XAP 文档 安装手册 吸顶AP XAP-6230-E(V2)安装手册
{{sendMatomoQuery("无线接入点XAP","XAP-6230-E(V2)安装手册")}}

XAP-6230-E(V2)安装手册

更新时间:2026-03-06

1产品外观 

XAP-6230-E(V2)包含110/100/1000Mbps支持PoE的以太网口,1Console口, 112V本地电源接口,1reset复位孔。

图 1-1产品正面图

图 1-2产品侧面接口图

2安装准备

2.1安全注意事项

AP为室内型,必须在室内使用,为保证AP设备长期处于良好的运行状态,保证设备能正常工作及延长使用寿命,必须使系统处于规定的运行环境之中。

    警告: 为了避免对人和设备造成伤害,请在安装设备之前仔细阅读本书的安全建议。

请在专业的工程人员指导下安装设备,以下安全建议并不涉及所有可能出现的危险情况。

2.1.1安装选址

在进行工程设计时,应根据通信网络规划和通信设备的技术要求,综合考虑气候、水文、地质、地震、电力、交通等因素,选择符合通信设备工程环境设计要求的地址。

严禁将设备安装在高温、多尘、有害气体、易燃、易爆、易受电磁干扰(大型雷达站、发射电台、变电站)及电压不稳、震动大或强噪声的环境中。

安装地应该干燥,严禁在易积水、渗水、滴漏、结露等地方安装AP。不建议在距离海边很近的地方安装。设备距离海边的距离要求大于500m,同时建议设备不要正对海风吹来的方向。

使AP远离可能产生射频干扰的电子设备(例如其他AP、天线等无线通讯设备)

AP应安装在通风条件良好和便于安装和检查的地方,不建议安装在狭小密闭的空间内,密闭空间不利于AP散热,从而影响AP的使用寿命)。

2.1.2温度、湿度要求

设备工作的温度、湿度要求如下:

项目

参数范围

工作温度

0℃~45℃

存储温度

-40℃~70℃

工作湿度

5%~95%(非凝结)

存储湿度

5%~95%(非凝结)

2.2安装工具

进行室内型AP设备的安装以及调试工作,在进行到不同的阶段需要准备不同的工具与仪表。请事先自行准备做好工具和仪表,以免在工作现场延误时间。(本司不提供以下工具,请用户自备)

工具类型

具体工具

通用工具

一字螺丝刀、十字螺钉刀、套筒、剪钳、钢卷尺、记号笔、冲击钻

专用工具

剥线钳、压线钳、绝缘胶带、测线仪

辅助工具

调试用计算机

2.3物料准备

安装支架为标配 AP-MountKit-T1(安装支架配件时,里面包含塑料膨胀管、膨胀螺钉,此安装支架可以壁挂安装也可以吸顶安装);关联产品需要自行准备。

壁挂、吸顶安装时涉及到的工程物料如下:

名称

明细

壁挂支架、吸顶支架

用于壁挂、吸顶式安装时固定AP机壳

安装螺丝

普通螺丝、塑料膨胀管、膨胀螺钉

关联产品如下:

名称

明细

网线

根据项目情况决定

水晶头

根据项目情况决定

3产品安装

3.1安装流程

AP仅适用于室内安装,支持以下安装方式:吸顶安装方式、壁挂安装方式、桌面放装方式。

安装流程需要注意事项:

施工前,需要获取工勘图纸。

施工安装时,需要根据工勘图纸上的位置进行安装。

安装前对该位置进行安装前检查,当检查到该点位不适合安装时,可适当进行移动,与原来工勘图纸上的位置偏差不能超过0.5米。

记录AP设备的MAC地址与位置对应关系(MAC地址标识在AP设备背面例如,MAC10-0D-0E-20-CD-E1对应在酒店过道8302房前),便于后续查找使用。

3.2安装前检查

尽量减少AP和用户终端间的障碍物(如:墙壁)数量。

使AP的安装位置远离可能产生射频噪声的电子设备或装置(如:微波炉)。

安装位置尽量隐蔽,不妨碍居民的日常工作和生活。

严禁在积水、渗水、滴漏、结露等环境下安装,并需避免线缆凝水、渗水而造成水滴沿着线缆流入设备。

注意事项:

为保证无线AP正常工作和延长使用寿命,请遵从以下的注意事项:

请将设备安装在室内并且放置于通风处。

请避免将设备放置于高温环境。

请将设备远离高压电缆。

请将设备远离强雷暴、强电场环境。

请将设备保持清洁,防止灰尘污染。

请将设备固定牢固。

3.3设备安装

AP支架安装套件尺寸图

图 3-1 AP-MountKit-T1支架尺寸图(单位mm)

图 3-2 AP-MountKit-T1壁挂安装螺丝尺寸图(单位mm)

3.3.1壁挂方式安装

如果需要将AP采用壁挂方式安装在墙面,需要使用壁挂安装支架、膨胀螺管和螺钉。

第一步,打孔。在需要安装AP的墙面上钻四个直径5.0mm的孔,所钻的孔与壁挂安装支架上的孔成对应关系,四个孔为间距如下图所示。

图 3-3 墙面钻孔示意图

第二步,固定膨胀螺管。在墙面上钻好的孔中插入膨胀螺管,用锤子敲打膨胀螺管,直到将膨胀螺管全部敲入墙面,如下图所示。

图 3-4 固定膨胀螺管示意图

第三步,固定壁挂安装支架。把壁挂安装支架的螺钉孔对准膨胀螺管孔,将螺钉从相应的支架安装孔穿过,并用十字螺钉刀将螺钉拧紧,如下图所示。

图 3-5 壁挂支架安装示意图

第四步,用以太网线连接AP到交换机上(如果是本地电源供电,请提前接好电源线)。

第五步,安装AP。将AP背面的壁挂安装孔对准壁挂安装支架上的挂钉位置,将AP挂在壁挂安装支架的挂钉上,如下图中①所示,用力向下压设备,如下图中②所示,通过挂钉和支架上的固定凸片将设备固定住。

图 3-6 AP安装到壁挂支架示意图

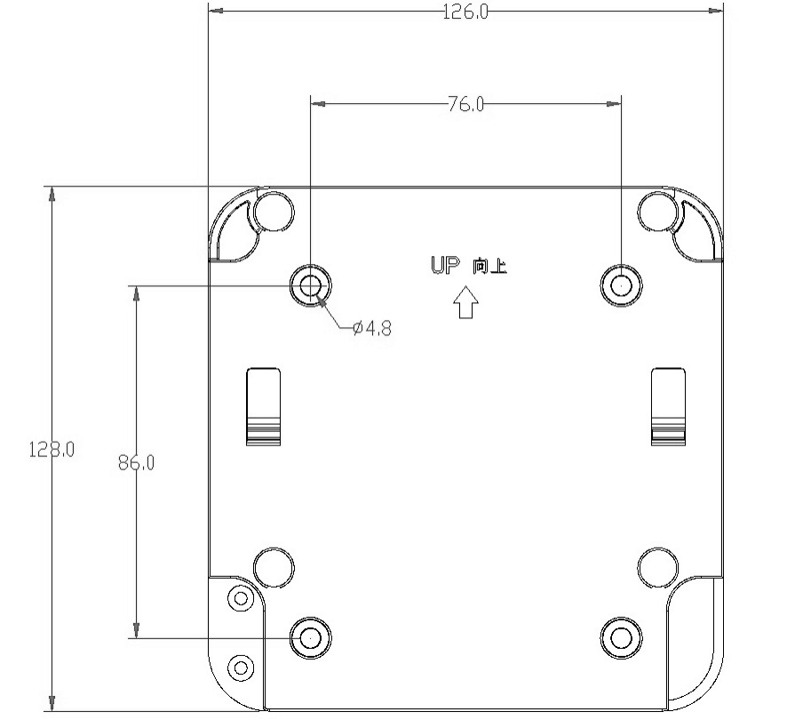
3.3.2吸顶方式安装

如果需要将AP采用吸顶方式安装在天花板上,需要使用吸顶安装支架、普通螺钉。

第一步,打孔。在需要安装AP的天花板上钻四个直径5.0mm的孔,所钻的孔与吸顶安装支架上的孔成对应关系,四个孔为间距如下图所示。

图 3-7 天花板钻孔示意图

第二步,固定吸顶安装支架,将长螺栓穿过吸顶安装支架上的安装孔和天花板上的钻孔,在天花板的另一端使用螺母拧紧螺栓,使吸顶安装支架固定在天花板上,如下图所示。

图 3-8 吸顶支架安装示意图

第三步,用以太网线连接AP到交换机上(如果是本地电源供电,请提前接好电源线)。

第四步,安装AP。安装AP到吸顶安装支架上,详细步骤请参考 3.3.1壁挂方式安装

3.3.3放装式安装

不要将AP摆放在任何类型的金属表面上,请选择一个无障碍物并且能提供良好接收效果的地方放置AP。同时确保表面是平的,且不容易被碰到。

3.4设备供电及状态检查

AP支持PoE 802.3af/802.3at兼容供电,支持本地电源12V/2A供电。用户可以根据实际网络环境选择供电方式。

设备上电之后,设备上电之后,状态灯常亮。如果网络异常,请参看状态灯闪烁-告警表。

状态灯闪烁-告警表如下:

闪烁方式

告警原因说明

1,0,1,0,1,0

获取ip失败vlanif1的ip为0.0.0.0

2,0,2,0,2,0

手动改变网管导致网关不通

3,0,3,0,3,0

到控制器不通

1,0,2,0,1,0

控制器不支持该硬件型号

2,0,1,0,2,0

不能发现控制器或发现的控制器都没有激活ap

1,0,2,0,3,0

控制隧道建立不成功

1,0,1,0,3,0

数据隧道建立不成功

说明:闪烁方式。1,0,2,0,1,0 表示第一秒闪1次,第二秒不亮,第三秒闪2次,第四秒不亮,第五秒闪一次,第六秒不亮。

3.5AP连接到网络

AP的以太网口与以太网交换机的端口连接,以便AP通过以太网口上行接入到网络当中。

网线布放与绑扎的基本工艺

设备网线选用超五类网线(当PoE供电网线超过80米时,建议首选6类线,最长不能超过100米),两端均为标准RJ-45水晶头。

设备端网线安装完成后,应进行适当固定,最大限度减少RJ-45连接的受力,以保证可靠稳定的连接。

网线布放的规格、路由、截面和位置应预先设计好,线缆排列必须整齐,外皮无损伤。

网线转弯应均匀圆滑,转弯的最小弯曲半径应大于60mm。不得损伤导线绝缘层。网线的布放须便于维护和将来扩容。

网线布放后必须绑扎,绑扎后的网线应互相紧密靠拢、顺直、尽量不交叉,外观平直整齐,线扣间距均匀,松紧适度,并在必要的地方留有余量。

网线绑扎要求做到整齐、清晰和美观,一般按类分组。

网线绑扎后应互相紧密靠拢,外观顺直整齐。绑扎成束的电缆转弯时,应尽量采用大弯曲半径以免在线缆转弯处应力过大造成内芯断芯。

官方网站: http://www.sundray.com.cn

服务热线: 400-878-3389